Loading...

steelstep.hu - emeloszakaruhaz.hu

Telefon:

+36 (52) 316-319

E-mail:

info@steelstep.hu

Székhely:

Hungary  4030 Debrecen, Diószegi út 22/2. 

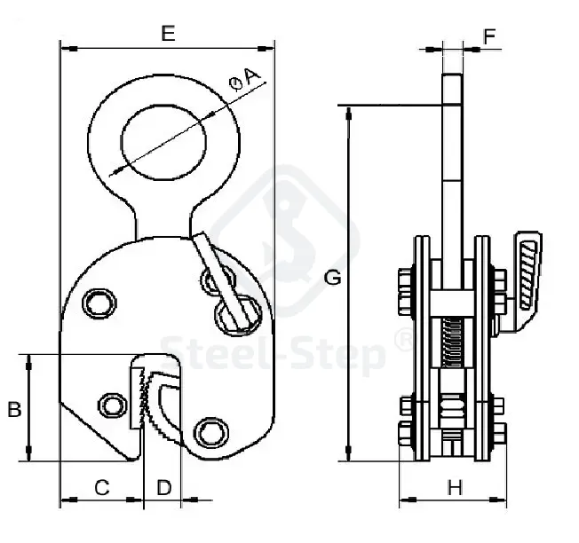
QC-A típusú univerzális lemezmegfogó
 Cleste de tabla universala tip QC-A - QC-A type universal lifting clamp
Teherbírás
kg
Méretek mm Súly
kg
A B C D E F G H
500 30 43 34,5 0-15 103 10 212 36 1,5
1000 48 63 51 0-20 138 12 294 50 3
2000 68 76 59 0-25 164 16 370 52 7
3000 74 85 56 0-30 193 20 418 78 15,5
5000 80 90 65 0-52 240 22 450 88 19
8000 80 175 80 40-80 345 25 568 100 40

Felhasználási terület: acéllemezek, idom acélok emelésére, mozgatására szolgál. Amennyiben a megfelelő termék kiválasztásával, műszaki alkalmasságával kapcsolatban kérdése van, forduljon szakembereinkhez!  Telefon: 06 (52) 316-319