Loading...

steelstep.hu - emeloszakaruhaz.hu

Telefon:

+36 (52) 316-319

E-mail:

info@steelstep.hu

Székhely:

Hungary  4030 Debrecen, Diószegi út 22/2. 

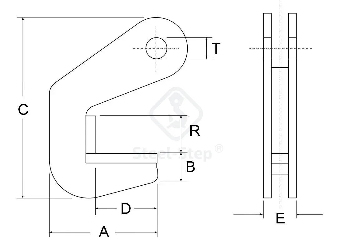
Csőhorog PU betéttel
Cârlig pentru țevi cu inserție PU - Pipe hook with PU insert
Teherbírás
kg/pár
Méretek (mm) Önsúly
kg
Nyitás (R mm) A B C D E T
4000 kg/pár 45 120 32 210 65 38 29 5.52
6000 kg/pár 50 124 32 210 65 40 29 6.60
8000 kg/pár 70 125 32 210 65 40 29 7.40
10000 kg/pár 80 140 32 290 35 53 29 18.48

Felhasználási terület: acél és rozsdamentes csövek vízszintes mozgatására szolgál. Amennyiben a megfelelő termék kiválasztásával, műszaki alkalmasságával kapcsolatban kérdése van, forduljon szakembereinkhez!  Telefon: 06 (52) 316-319


Teherbírás kg/pár